BACK OR COUNTER E.M.F
When the armature of a d.c. motor rotates under the influence of the driving torque, the
armature conductors move through the magnetic field and hence em f. is induced in them as in a
generator The induced em f. acts in opposite direction to the applied voltage V (Lenz's law) and in
known as back or counter e.m.f. Eb. The back e.m.f. Eb= PΦZ N/ 160 A) is always less than the
applied voltage V, although this difference is small when the motor is running under norrnal
conditions.
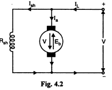
Consider a shunt wound motor shown in Fig. 4.2. When d.c. voltage V is applied across the
motor terminals, the field magnets are excited and armature conductors are supplied with current.
Therefore, driving torque acts on the armature which begins to rotate. As the armature rotates, back
e.m.f. Eb is induced which opposes the applied voltage V. The applied voltage V has to force current
through the armature against the back e.m.f. Eb. The electric work done in overcoming and causing
the current to now against Eb is converted into mechanical energy developed in the armature. It
SIGNIFICANCE OF BACK E.M.F.
The presence of back e.m.f. makes the d.c. motor a self-regulating machine i.e. , it makes
the motor to draw as much arrnature current as is just sufficient to develop the torque required by the load.Amature current, Ia=V-Eb/Ra (1) When the motor is running on no load, small torque is required to overcome the friction and windage losses. Therefore, the armature current la is small and the back e.m.f. is nearly equal to the applied voltage. 2 If the motor is suddenly loaded, the first effect is to cause the armature to slowdown. Therefore, the speed at which the armature conductors move through the field is reduced and hence the back e.m.f. Eb falls. The decreased backe.m.f. allows a larger current to flow through the armature and larger current means increased driving torque. Thus, the driving torque increases as the motor slows down. The motor will stop slowing down when the armature current is just sufficient to produce the increased torque required by theload.
(3) If the load on the motor is decreased, the driving torque is momentarily in excess of
the requirement so that armature is accelerated. As the armature speed increases, the back em f. Eb also increases and causes the armature current la to decrease. The motor will stop accelerating when the armature current is just sumcient to produce the reduced torque re- quired by the load.

Comments
Post a Comment